-
-
-
Tổng tiền thanh toán:
-
Trung tâm chăm sóc xe Tuấn Phong - Thị xã Phú Thọ
Đăng bởi: Nguyễn Thu Phương |
06/07/2023
"Dù ngày mai đi khắp mọi nẻo đường
Lòng vẫn nhớ quê hương miền Đất Tổ
Phú Thọ ơi trải qua nhiều bão tố
Vẫn hiên ngang nở rộ đóa hoa cười!"
( Yêu lắm Phú Thọ ơi!; Thơ: Thu Hà)
Xin chào các bạn! Hôm nay DC đang có mặt tại Phố Nguyễn Trãi, Phường Âu Cơ, Thị xã Phú Thọ, Tỉnh Phú Thọ để lắp đặt trọn bộ thiết bị chăm sóc xe, làm lốp cho Trung tâm chăm sóc xe Tuấn Phong. Anh khách hàng vừa triển khai dịch vụ chăm sóc xe, vừa triển khai dịch vụ làm lốp và lắp đặt đồ chơi ô tô, một trung tâm đầy đủ tiệc ích. Cùng DC đi thăm quan một vòng trung tâm chăm sóc xe Tuấn Phong xem với các dịch vụ triển khai như vậy, trung tâm chăm sóc xe sẽ bố trí từng khu vực và đầu tư máy móc thiết bị như thế nào nhé.
DC hợp tác và đồng hành cùng khách hàng
Anh Long - Chủ Trung tâm chăm sóc xe Tuấn Phong đã có kinh nghiệm hơn 2 năm đi học nghề chuyên sâu về lắp đặt đồ chơi ô tô, dán phim. Trước anh Long làm nghề lái xe, giờ muốn chuyển hướng sang một lĩnh vực khác nhưng vẫn phải liên quan đến xe ô tô, vì vậy anh đã lên kế hoạch đi học nghề trước và về chính quê hương của mình đầu tư mở Trung tâm chăm sóc xe chuyên nghiệp. Rất hân hạnh cho DC được anh Long tin tưởng, lựa chọn làm đơn vị cung cấp thiết bị chăm sóc xe và đồng hành cùng nhau sau này.

Ngày 19/06/2023 DC có mặt tại địa chỉ anh Long đầu tư mở trung tâm chăm sóc xe để khảo sát mặt bằng, lên phương án tư vấn thiết bị, khu vực bố trí máy móc thiết bị và lên bộ báo giá sản phẩm phù hợp nhất với mục đích đầu tư của anh Long.

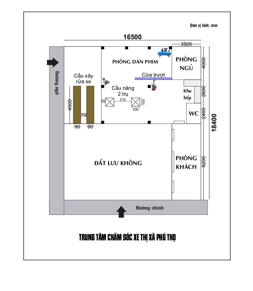
Hai bên tiến hành ký kết hợp đồng. Sau khi hai bên đã trao đổi với nhau, thống nhất được phương án, DC lên bản vẽ kỹ thuật 2D thể hiện rõ diện tích, từng vị trí, khu vực để máy móc, thiết bị, từng đường hơi, đường nước đi trong xưởng như thế nào để anh Long có thể dễ dàng hình dung và thi công. Lên bản vẽ 3D công năng xưởng để anh Long có thể hình dung ra được sau khi hoàn thành trung tâm chăm sóc xe của mình sẽ đi vào hoạt động như thế nào.










Ngày 25/06/2023, theo đúng như hợp đồng đã kí kết và sự trao đổi của hai bên, DC đem toàn bộ máy móc, thiết bị xuống lắp đặt hoàn thiện cho Trung tâm chăm sóc xe Tuấn Phong. Cùng DC đi lắp đặt và xem không gian nhà xưởng của Trung tâm chăm sóc xe Tuấn Phong có những gì nhé.
Không gian và dịch vụ trung tâm triển khai
Trung tâm chăm sóc xe Tuấn Phong có địa chỉ tại: Phố Nguyễn Trãi, Phường Âu Cơ, Thị xã Phú Thọ, Tỉnh Phú Thọ. Có vị trí rất thuận lợi nằm trên trục đường chính to đẹp, giao thông đông đúc, thuận tiện.
Trung tâm chăm sóc xe Tuấn Phong có tổng diện tích gần 200m² với mặt tiền 11m, sâu vào 19m. Được chia ra làm 3 khu chính, khu phòng tiếp khách và khu triển khai dịch vụ chuyên sâu được thiết kế, xây dựng kiểu chữ L nối liền nhau. Ở phía trước hai khu vực này chính là khu vực rửa xe, sẽ được thiết kế mái sóng di động để che nắng, che mưa chứ không xây dựng thành phòng hay lợp mái.

Từ ngoài vỉa hè tiến vào chính là khu vực rửa xe, rơi vào khoảng 8m. Toàn bộ xe đến làm dịch vụ rửa xe sẽ được rửa sạch và làm khô ngay tại đây. Tiến vào bên trong là khu vực được xây dựng có mái và chia phòng. Được chia thành 3 khoang dịch vụ chính. Ngay bên tay trái là khoang dịch vụ sửa chữa nhanh, bên cạnh là khoang làm lốp, tiếp theo là khoang làm dịch vụ chuyên sâu như: rửa máy. dọn nội thất, lắp đặt đồ chơi, dán phim,...Phía bên tay phải chính là dãy nhà được thiết kế làm phòng tiếp khách, có đầy đủ phòng vệ sinh, khu bếp và 1 phòng cho nhân viên nghỉ ngơi với đầy đủ tiện nghi.
Máy móc, thiết bị trung tâm đầu tư
DC cung cấp trọn bộ thiết bị cơ bản nhất để Trung tâm chăm sóc xe Tuấn Phong có thể triển khai đầy đủ các dịch vụ:
01 Cầu nâng 2 trụ cổng trên AT-400L, motor 2.2kw, với tay nâng thiết kế bằng, có thể nâng tất cả các dòng xe. Có thêm khớp con đội nâng xe, có thể làm việc thoải mái ở các dòng xe gầm thấp.


01 Máy rửa xe cao áp Jetta - Model: JET7500P-250T, áp lực tối đa 3600PSI. Sẽ được tháo hết ra và hàn khung treo lên cao 2m, tránh va chạm và tiết kiệm không gian trung tâm.
01 Máy ra vào lốp xe ô tô, xe máy Tecom - Model: TC-900E, có thể ra váo lốp xe máy và các dòng xe ô tô con, xe du lịch.

01 Máy nén khí Piston Pegasus - Model: TM-W-0.36/12.5-180L, công suất làm việc 4HP, dung tích bình chứa 180 lít. Đường hơi chia trực tiếp lên hệ thống quả tách nước, đưa đường hơi ra bên ngoài, có các đầu ra hơi tại các vị trí cần thiết.

01 Máy hút bụi công nghiệp Jetta T100-70, 2 motor. bình chứa 70 lít.

Bộ thiết bị, dụng cụ hỗ trợ làm lốp, sửa chữa: Mễ kê bánh xe, Kích nâng bóng hơi 3 bóng, keo vá, bộ tháo ti van, máy mài xăm,...


Bộ dụng cụ, máy móc chăm sóc xe: Máy thổi khí nóng SGCB, máy xông tinh dầu, máy đánh nội thất, bàn chải, khăn lau xe,....

Hoá chất chăm sóc xe Auto Magic
Sau một ngày làm việc hết công suất, DC đã lắp đặt hoàn thiện xong toàn bộ máy móc, thiết bị cho Trung tâm chăm sóc xe Tuấn Phong. Cảm ơn anh Long đã tin tưởng và lựa chọn DC là bên cung cấp thiết bị giữa vô vàn các đơn vị khác. Chúc Trung tâm chăm sóc xe Tuấn Phong đi vào hoạt động thật mạnh mẽ, đông khách và ngày càng mở rộng, phát triển hơn nữa.

Xem thêm: Trung tâm rửa và chăm sóc xe chuyên nghiệp Win Auto - Phúc Thọ, Hà Nội
Cảm ơn các bạn đã theo dõi DC Auto! Nếu các bạn có nhu cầu mở rộng, setup trung tâm chăm sóc xe chuyên nghiệp thì hãy liên hệ cho DC theo số hotline 0963512338, để được tư vấn và báo giá tốt nhất nhé.
